网站首页
文安概况
文安简介
自然地理
历史沿革
行政区划
经济概况
历史文安
水韵文安
现代文安
影像文安
政务公开
政府领导
政务会议
政务动态
政府文件
政府机构
人事任免
政策解读
政府公报
政务服务
互动交流
民生通道
您的位置:
首页
>>
公告
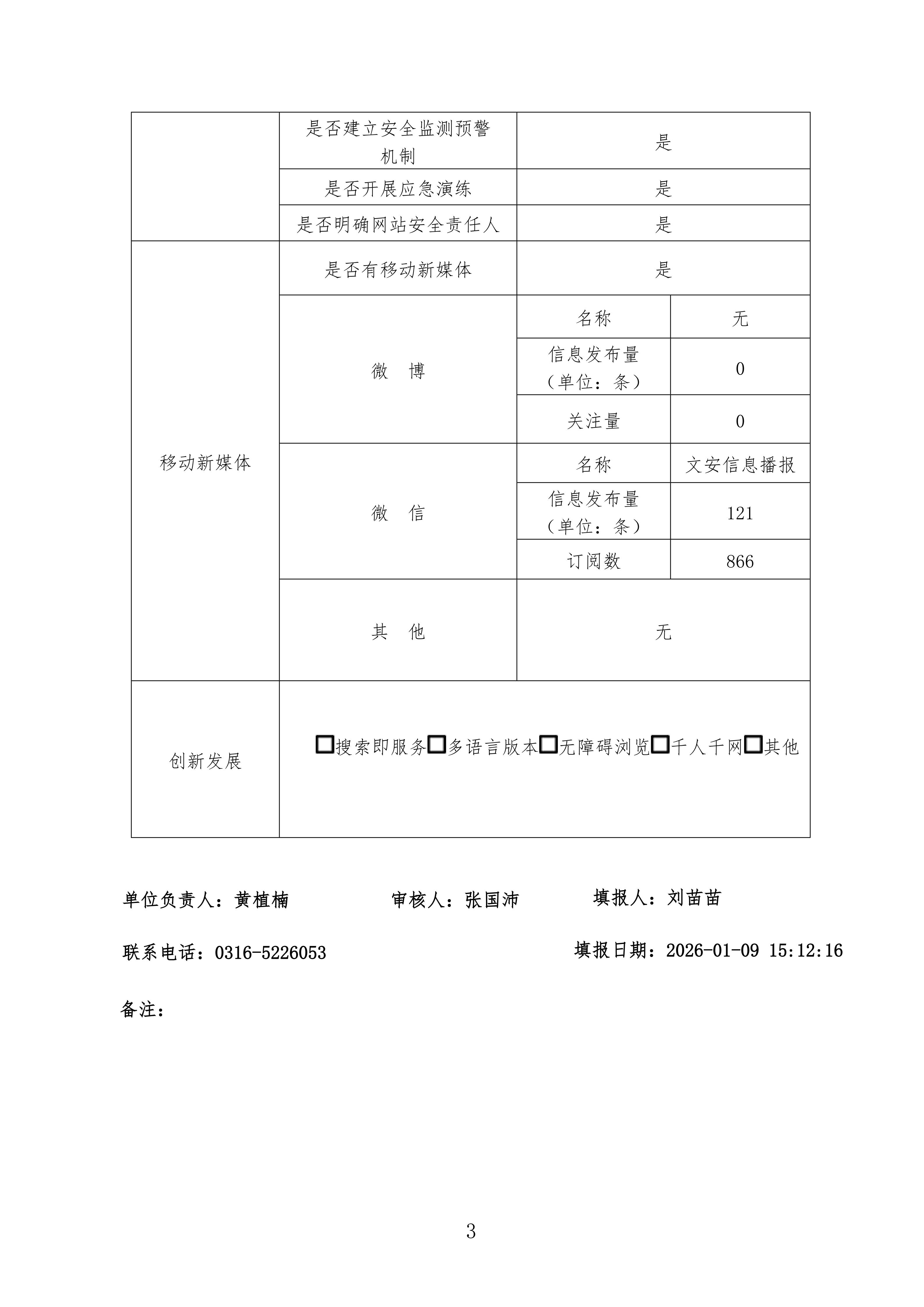
政府网站工作年度报表(2025年度)
作者:
来源:
发布时间:2026年01月09日
浏览次数: 次